您好,欢迎光临北京卓实科技有限公司!
咨询热线:
18146501275
网站首页
HOME
关于我们
about us
产品展示
product
压力变送器
温度变送器
液位变送器
温湿度变送器
数显压力表
产品资料
introduce
在线留言
message
联系我们
contact us
18146501275
产品展示
压力变送器
温度变送器
液位变送器
温湿度变送器
数显压力表
联系我们
北京卓实科技有限公司
电话:18146501275
地址:北京市通州区潞城镇胡郞路80号
新闻中心
您现在的位置是:
网站首页
产品展示
压力变送器
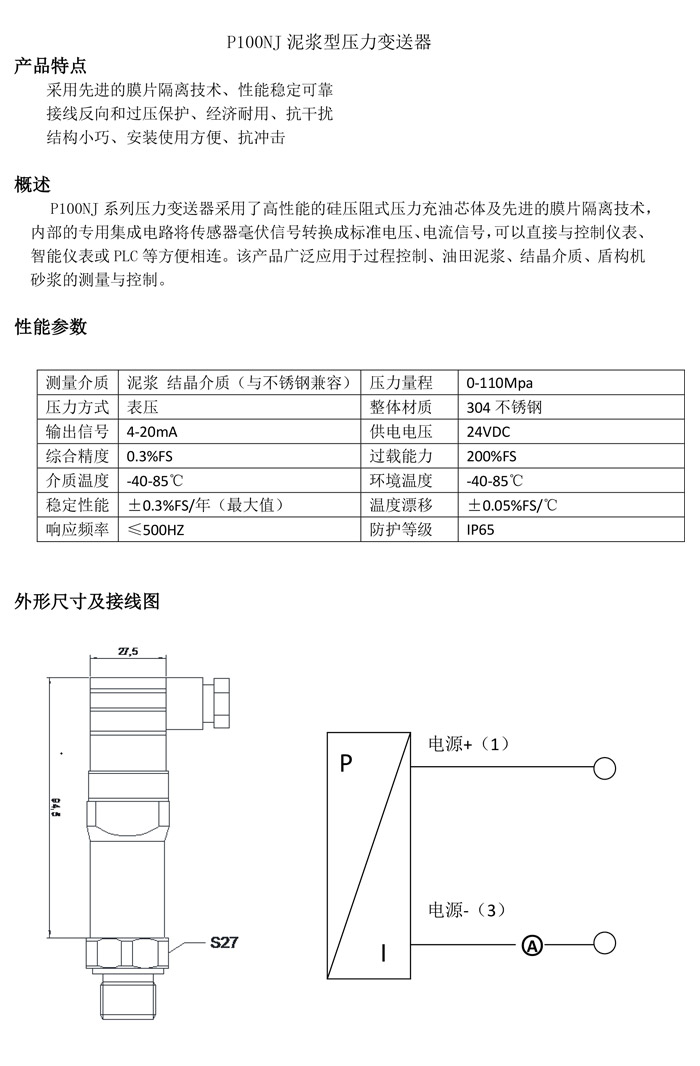
P100NJ
发布日期:2022-08-22
分享到:
下一篇:
P100M
上一篇:
P100W
电话
留言
非工作时间电话:
18146501275